services
Many different services are available through Frets by Mail. Below is a list of a few common services that are done on guitar necks, on regular basis. When we receive your guitar neck, it will be fully inspected and documented via a live stream, on the Guitar Quackery Live YouTube channel. After the initial inspection we will recommend service options.
Premium Fret Dressing
The most basic service includes premium fret dressing.
Your frets will be polished to a mirror shine to ensure optimal performance. I
There are different levels of fret dressing services. If your frets were sprouting, the fret ends will be dressed, so there are no sharp frets. If a few of the frets were slightly uneven, they will be leveled down, before the polish. This is not a full Level Crown & Polish service.


Nut Optimization
With every service, the nut will be inspected. If needed, the nut will be filed-down, or replaced, to ensure best performance.
Typically, most guitars have a high nut. That's because it takes time and expertise to file the nut slots down to optimal height. This costs manufacturers money, as they need to pay experienced worker and it takes more time to compete a guitar. So, they like to skip this part, or cut corners.
A high nut makes it more difficult to play the first couple of frets, it affects the intonation at the nut, as strings are slightly stretched before they hit the frets and it makes it impossible to dial-in a perfect setup.


3D Scanning & Diagnostics
At this time, this service is a Guitar Quackery exclusive, also offered through the Frets by Mail service.
Your guitar neck can be scanned with a high resolution 3D scanner for diagnostics and archival purposes.
The 3D scan will be analyzed in the proprietary FretLab PRO software, which can give us a full picture of the fretboard, making sure that the best decision is made for the best service option.
FretLab PRO can be used as an analytic tool as well as a simulator, to simulate the service options, before any services are performed on the physical neck.


Level Crown & Polish
If your frets show any signs of fret wear, such as dimples or flatness, the minimum service will be a Level Crown & Polish of the frets, which includes the nut optimization. This is the equivalent of a PLEK job, except done by hand, on the neck jig.
Please note, if the frets on your guitar neck show wear beyond a certain threshold, or if the neck has any other issues, such as a twist, differential relief, permanent back-bow, ski jump at the heel, and so on, the neck might not be a good candidate for a Level Crown & Polish job and will most likely require more work, which may include a refret and possibly resurfacing.


Refretting
When the frets are worn beyond a certain threshold, the frets can no longer be leveled, and the neck will require a new set of frets.
All bolt-on necks are refretted to the highest standard, using a modified arbor press with a torque wrench, to ensure every fret is pressed-down using the same exact force.
This ensures consistency and also minimizes the amount of material that will be removed during the leveling process, which follows every refret.
During the refret, the customer chooses the type of fret wire and fret wire material.


UV Filling Nut Repair
In some cases the guitar nut can be repaired, instead of replaced.
This only makes sense when there is only one string slot that needs to be repaired, or when revising a valuable vintage guitar, in which case we might prefer to preserve the original nut, to maintain the value of the guitar.
The filling are UV cured dental composites, which are only suitable for a bone nut.
Other repair options might be available for other nut materials.


Fingerboard Resurfacing
Before installing new frets, the fingerboard will be resurfaced as part of the standard refretting procedure (with few rare exceptions).
However, in some cases deeper resurfacing is needed. Those cases include, radius adjustment, neck twist correction, differential relief correction, etc. In those cases the resurfacing is a repair job or a modification and is counted as an additional service.
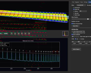
The image on the right shows resurfacing for a neck twist correction. The light part of the fingerboard is the freshly exposed wood grain, as the leveling beam is sanding off the high areas of the board and exposing fresh wood grain.


